联系电话:
0523-8733 8088
产品详情
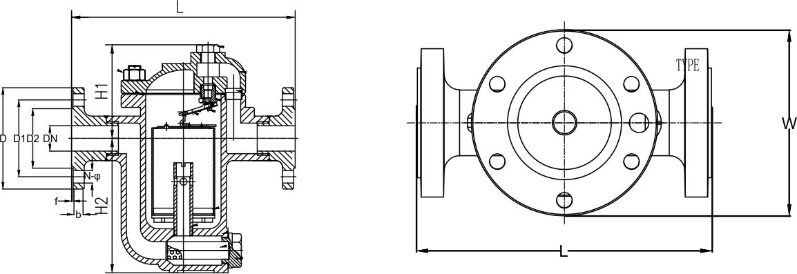
◆倒置桶疏水阀工作原理是依靠汽、液密度差。
◆阀体、 阀盖全部锻钢/铸钢材质。
◆内件全部采用不锈钢,活动零部件设计时已充分考虑了磨损余量,提高了疏水阀使用寿命。
◆U型流道设计, 实现水封效果,无泄漏蒸汽现象。
◆具有专利技术可靠的柔性关闭系统,无蒸汽泄漏。
◆加装防水击装置,使进入阀体的流体不产生水击现象。
◆内置止回阀,适用过热蒸汽环境。
◆内置过滤器,使疏水阀在洁净的环境中工作。
◆依照压力大小选择不同的排量曲线。
◆倒置桶疏水阀工作原理是依靠汽、液密度差。
◆阀体、 阀盖全部锻钢/铸钢材质。
◆内件全部采用不锈钢,活动零部件设计时已充分考虑了磨损余量,提高了疏水阀使用寿命。
◆U型流道设计, 实现水封效果,无泄漏蒸汽现象。
◆具有专利技术可靠的柔性关闭系统,无蒸汽泄漏。
◆加装防水击装置,使进入阀体的流体不产生水击现象。
◆内置止回阀,适用过热蒸汽环境。
◆内置过滤器,使疏水阀在洁净的环境中工作。
◆依照压力大小选择不同的排量曲线。

苏公网安备 32128302001489号