联系电话:
0523-8733 8088
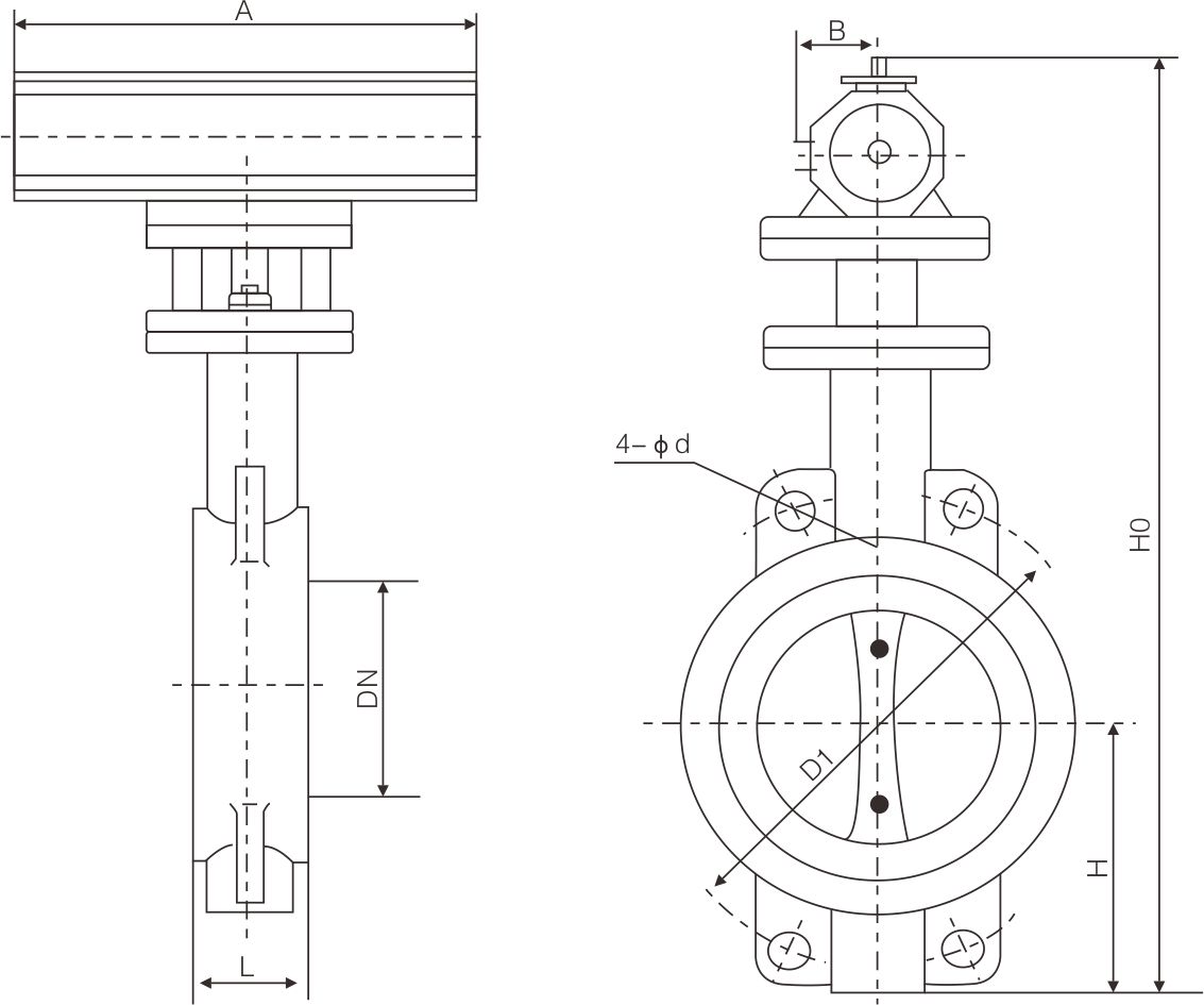
产品详情
软密封蝶阀通常用于温度≤120℃,公称压力≤1.6MPa的食品、医药、化工、石油、电力、轻纺、造纸等给排水、气体管道上作调节流量和截断流体的作用。其主要特点为:
◆设计新颖、合理,结构紧凑,重量轻,启闭迅速。
◆操作力矩小,操作方便,省力灵巧。
◆可以任何位置安装,维修方便。
◆密封件可以更换,密封性能可靠,能够达到双向密封零泄漏。
◆密封材料具有耐老化、耐腐蚀、使用寿命长等特点。


软密封蝶阀通常用于温度≤120℃,公称压力≤1.6MPa的食品、医药、化工、石油、电力、轻纺、造纸等给排水、气体管道上作调节流量和截断流体的作用。其主要特点为:
◆设计新颖、合理,结构紧凑,重量轻,启闭迅速。
◆操作力矩小,操作方便,省力灵巧。
◆可以任何位置安装,维修方便。
◆密封件可以更换,密封性能可靠,能够达到双向密封零泄漏。
◆密封材料具有耐老化、耐腐蚀、使用寿命长等特点。



苏公网安备 32128302001489号