联系电话:
0523-8733 8088
产品详情
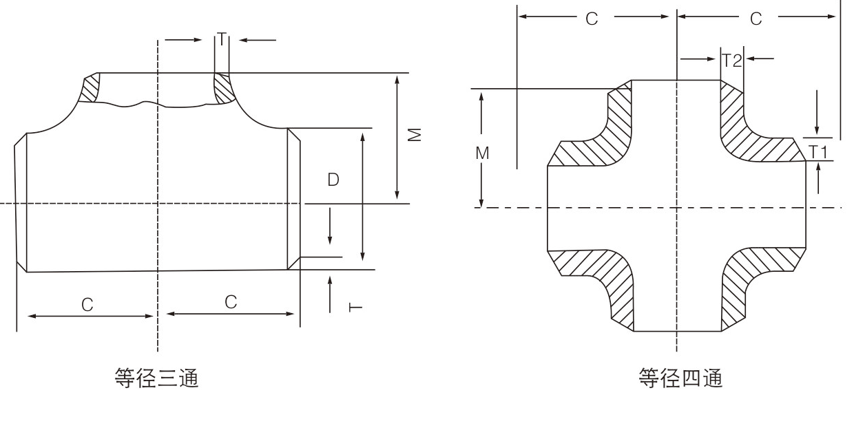
碳钢四通管件,两端直径相同,支管与其它两个直径不同的称为异径四通。表示方法如下:对于等径四通,比如"T3"四通则表示外径是3英寸的等径四通。对于异径四通,比如"T4×4×3.5"表示同径为四英寸异径为3.5英寸的异径四通。材质一般为10# 20# A3 Q23 20g 20G 16Mn ASTM A234 ASTM A105 ASTM A403等,四通,外径范围在2.5″-60″,从26″-60″为焊接四通。壁厚28-60mm。压力等级为Sch5s、Sch10s、Sch10、Sch20、Sch30、Sch40s、STD、Sch40、Sch60、Sch80s、XS;Sch80、Sch100、Sch120、Sch140、Sch160、XXS。
四通热压成形是将大于四通直径的管坯,压扁约至四通直径的尺寸,在拉伸支管的部位开一个孔;管坯经加热,放入成形模中,并在管坯内装入拉伸支管的冲模;在压力的作用下管坯被径向压缩,在径向压缩的过程中金属向支管方向流动并在冲模的拉伸下形成支管。整个过程是通过管坯的径向压缩和支管部位的拉伸过程而成形。与液压胀形四通不同的是,热压四通支管的金属是由管坯的径向运动进行补偿的,所以也称为径向补偿工艺。






