联系电话:
0523-8733 8088
产品详情
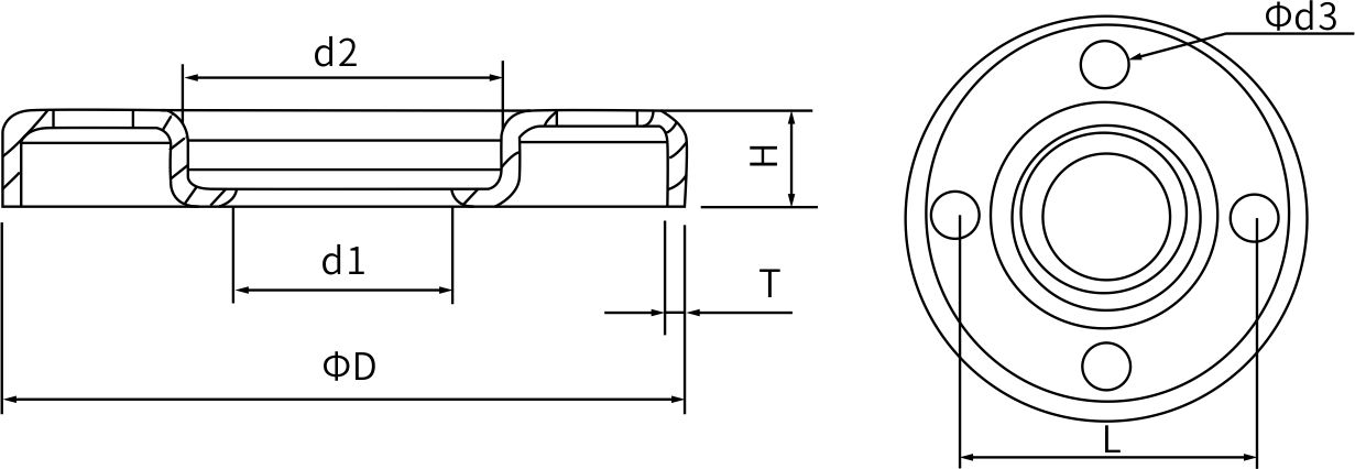
不锈钢法兰翻边,管口翻边活动法兰多用于铜、铝等有色金属及不锈钢管道上。其优点是由于法兰可以自由活动。法兰穿螺丝时非常方便;缺点是不能承受较大的压力。
翻边环板式松套法兰又称无法兰风管,其制作形式比传统的矩形风管加工速度更快捷,更方便,更小的漏风率。


不锈钢法兰翻边,管口翻边活动法兰多用于铜、铝等有色金属及不锈钢管道上。其优点是由于法兰可以自由活动。法兰穿螺丝时非常方便;缺点是不能承受较大的压力。
翻边环板式松套法兰又称无法兰风管,其制作形式比传统的矩形风管加工速度更快捷,更方便,更小的漏风率。



苏公网安备 32128302001489号