联系电话:
0523-8733 8088
产品详情
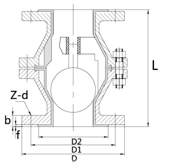
衬氟止回阀(又称逆止阀 )这种类型的阀门的作用是只允许介质向一个方向流动,而且阻止方向流动。通常这种阀门是自动工作的在一个方向流动的流体压力作用下,阀瓣打开;流体反方向流动时由流体压力和阀的自重合阀瓣作用于阀座,从而切断流动它包括旋启式止回阀和升降式止回阀。旋启式止回阀有一介较链机构,还有一个像门一样的阀瓣自由地靠在倾斜的阀座表面上。为了确保阀瓣每次都能到达阀座面的合适位置,阀瓣设计在较链机构,以便阀瓣具有足够有旋启空间并使阀瓣真正的、全面的与阀座接触。升降式止回阀的阀座落位于阀体上阀座密封面上。此阀门除了阀瓣可以自由地升降之外,其余部分如同截止阀一样,流体压力使阀瓣从阀座密封面上抬起,介质回流导致阀瓣回洛到倒座上并切断流动。







