Tel
0523-8733 8088
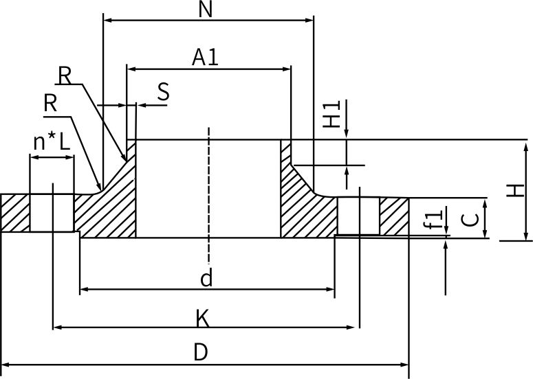
Slip on flange
Product overview
Nominal size: 1/2 "~80" (10-5000)
Pressure rating: 0.6Mpa~32Mpa (150Lb~2500Lb)
Main material: 201.202.301.302.303.304L.309S.310S.316.316L.317.317L.321.410.420, etc
Standards: National Standard, American Standard, Japanese Standard, German Standard, Italian Standard, Ministry of Chemical Industry Standard, Ministry of Machinery Standard, Pressure Vessel Standard
Scope and application: industries such as boilers, pressure vessels, petroleum, chemicals, shipbuilding, pharmaceuticals, metallurgy, machinery, food, etc
Stainless steel neck flat welding flanges are mainly used for docking during pipeline installation, especially when the diameters of two pipelines are different. The connection method is achieved through welding, and the thickness and pressure requirements are relatively high.







